Custom Info
  • Nou
3842529761 Profil Panou de Protecție 10 AL Bosch Rexroth - Calitate Superioară
search
  • 3842529761 Profil Panou de Protecție 10 AL Bosch Rexroth - Calitate Superioară
  • 3842529761 Profil Panou de Protecție 10 AL Bosch Rexroth - Calitate Superioară
  • 3842529761 Profil Panou de Protecție 10 AL Bosch Rexroth - Calitate Superioară

3842529761 Profil Panou de Protectie 10 AL L-2000 Bosch Rexroth

3842529761
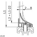
Profilul 3842529761 de panou de protecție 10 AL L=2000 de la Bosch Rexroth este ideal pentru montarea ulterioară în construcții cadru închise, fiind utilizabil în condiții de cameră curată. Acest profil de bază permite montajul elementelor de suprafață cu grosimi între 2-8 mm, asigurând o fixare fără joc. Verificat pentru emisii organice volatile, este un produs original oferit cu suport local prin CreatX Technology SRL.
3842529761
Comentarii (0)
Nu sunt opinii ale clientilor in acest moment.